Products / Fixing / Anti-spin sleeve anchor for medium loads / Hexagonal head screw 8.8 for reduced thicknesses

Anti-spin sleeve anchor for medium loads. Hexagonal head screw 8.8 for reduced thicknesses

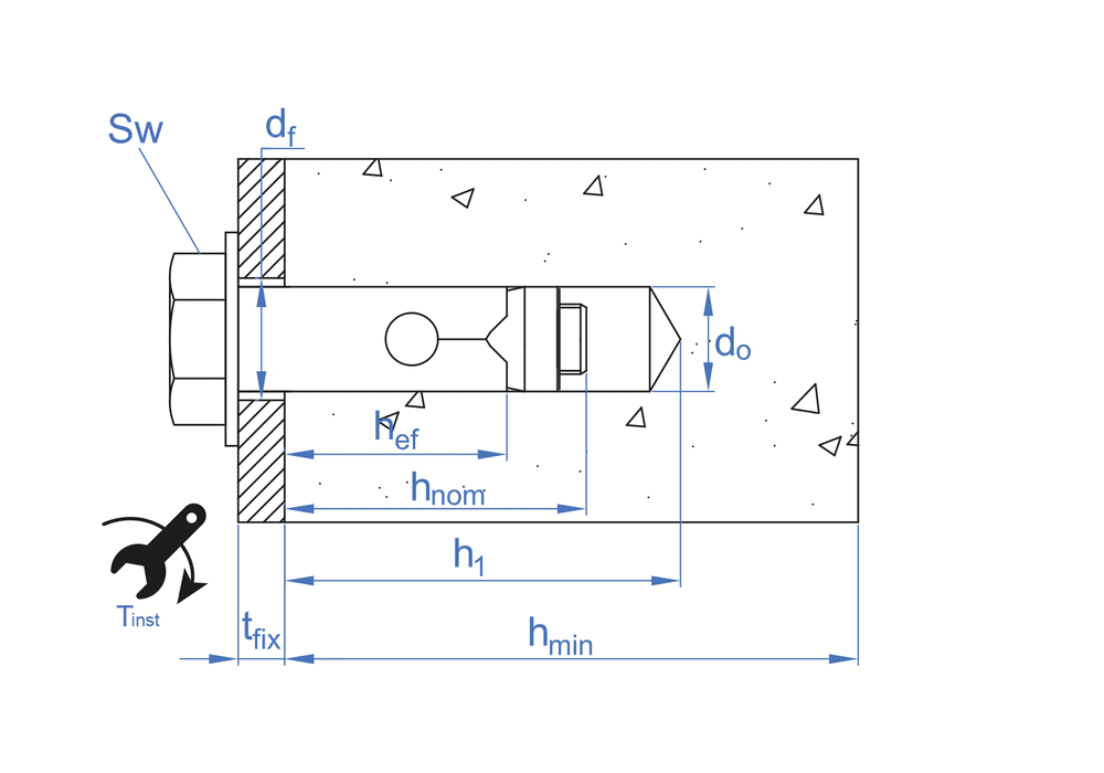
SizeNº RECESSAPERTURE HOOKEYE BOLT ØPcs BoxPcs MasterboxTechnical Info.
M6 x 40 Ø82001.200
  • tfix - Max. fixture thickness5
  • SW - Installation key10
  • df - Ø Element to fix9
  • Tins - Torque (Nm)10
  • hef - Effective depth25
  • hnom - Min. anchor depth32
  • h1 - Drill hole depth min.40
  • d0 - Ø Drill8
  • hmin - Min. substrate thickness70
  • L - Lenght40
M8 x 40 Ø10100600
  • tfix - Max. fixture thickness5
  • SW - Installation key13
  • df - Ø Element to fix12
  • Tins - Torque (Nm)20
  • hef - Effective depth25
  • hnom - Min. anchor depth37
  • h1 - Drill hole depth min.45
  • d0 - Ø Drill10
  • hmin - Min. substrate thickness70
  • L - Lenght40
  • [ANTI-TURN FUNCTION] Anti-turn anchor for medium loads with 8.8 hexagonal screw and expansion principle in solid materials. It has several anti-turn elements (cone, sleeve and rubber) that prevent the anchor from turning when installation begins, facilitating installation and ensuring optimal expansion and performance.
  • [VERY VARIED APPLICATIONS] Suitable for secure anchoring in static or quasi-static applications such as fixing signs, shelves, panels, porticos, railings, awnings, fence posts, street furniture or seats in cinemas, theatres and stadiums.
  • [CONCRETE AND OTHER MATERIALS] Suitable for fastening to solid materials such as concrete, reinforced concrete, stone or solid brick.
  • [GUARANTEED QUALITY] Made of zinc-coated carbon steel, a high-quality, durable material that ensures solid, secure anchoring in indoor or outdoor environments with low humidity.
  • [REDUCED THICKNESSES] Its design is perfect for applications in base materials with reduced thicknesses.
  • Air conditioning units
  • Antennas
  • Street furniture
  • Railings
  • Balcony railings
  • Balcony railings
  • Road railings
  • Wooden railings
  • Tents

Related Products

How can we
help you?

If you have any questions, or need more information, please write to us using this form:

NINGBO LONDEX INDUSTRIALS CO., L.T.D. informs that the personal data provided voluntarily on this website will be processed and incorporated into the corresponding files, responsibility of NINGBO LONDEX INDUSTRIALS CO., L.T.D., is reported at the time of personal data collection, although, according to the specific case, its purpose may be any of the following: attention to your referred request, complaint or question, established relationship maintenance, comprehensive and commercial customer management, accounting and billing or sending communications, including electronic media, news and activities related to NINGBO LONDEX INDUSTRIALS CO., L.T.D.

The data in our files are strictly confidential and shall be treated with the utmost confidentiality and shall comply with all the requirements provided for the General Data Protection Regulation (GDPR) 2016.

According to Data Protection legislation, you are strongly advised not to send high-level personal data, such as those relating to health, as they are not encoded or encrypted. Should these details be sent, it is done so under your sole responsibility.

The user may at any time exercise their rights of access, rectification, cancellation and opposition under the provisions of the General Data Protection Regulation (GDPR) 2016 by sending a letter together with a photocopy of your ID, to: NINGBO LONDEX INDUSTRIALS CO., L.T.D. First Seashore Road · Hangzhou Bay New Zone · Cixi City · Zhejiang Province · CHINA · 315336.
Read more
CH-8.8 E

CH-8.8 E

Hexagonal head screw 8.8 for reduced thicknesses

formación técnica

Nuestro departamento de ingeniería pone a tu disposición formaciones específicas y personalizadas en los diferentes temas relacionados con el mundo de la fijación: fijaciones metálicas o químicas, sistemas de instalación, normativas, realización de cálculos…

TÉCNICAS EXPANSIVAS S.L. informa que los datos de carácter personal facilitados de forma voluntaria, cuya finalidad, cesiones previstas y demás circunstancias, se informa en el momento de la recogida de los datos de carácter personal, si bien, según el caso concreto, su finalidad, puede ser alguna de las siguientes, la atención a su solicitud, queja o duda planteada, mantenimiento de la relación establecida, la gestión integral y comercial de clientes, contabilidad y facturación o envío de comunicaciones, incluso por medios electrónicos, de noticias y actividades relacionadas con TÉCNICAS EXPANSIVAS S.L.

Los datos incorporados a nuestros ficheros son absolutamente confidenciales y serán tratados con la máxima confidencialidad y cumpliendo todos los requisitos que obliga el Reglamento General de Protección de Datos (RGPD) de 27 de abril de 2016. Los datos quedarán registrados en nuestros ficheros por el tiempo necesario que dure la motivación para la que fueron recabados. El plazo durante el cual se conservarán los datos personales será aquel que marque la legislación vigente y siempre durante el tiempo que medie en la prestación del servicio para el que fueron comunicados.

Se recomienda no enviar datos personales de nivel alto, según la legislación de protección de datos, como pueden ser los relativos a salud, pues los mismos no viajan cifrados o encriptados. De modo que si VD, los envía será de su exclusiva responsabilidad.

El usuario podrá ejercer en cualquier momento sus derechos para acceder, rectificar, oponerse, cancelarlos, limitar su tratamiento o solicitar su portabilidad con arreglo a lo previsto en el Reglamento General de Protección de Datos (RGPD) de 27 de abril de 2016 enviando una carta a su responsable de tratamiento: Valentín Gómez, Gerente, junto con la fotocopia de su DNI, a TÉCNICAS EXPANSIVAS SL | P.I. La Portalada II | c/ Segador 13, 26006 | Logroño (La Rioja) o a través de la dirección de correo electrónico info@indexfix.com.
Leer más

visitas a obra

La relación con nuestros clientes no finaliza con la venta de nuestros productos. Desde INDEX® entendemos que en muchas ocasiones es necesario un acompañamiento en obra donde nuestra experiencia es la mejor aliada para que todo encaje a la perfección. Nuestros ingenieros y técnicos apoyarán a los responsables de cada proyecto en la planificación y selección de la mejor solución con el fin de ahorrar tiempo y costes de la manera más efectiva.

TÉCNICAS EXPANSIVAS S.L. informa que los datos de carácter personal facilitados de forma voluntaria, cuya finalidad, cesiones previstas y demás circunstancias, se informa en el momento de la recogida de los datos de carácter personal, si bien, según el caso concreto, su finalidad, puede ser alguna de las siguientes, la atención a su solicitud, queja o duda planteada, mantenimiento de la relación establecida, la gestión integral y comercial de clientes, contabilidad y facturación o envío de comunicaciones, incluso por medios electrónicos, de noticias y actividades relacionadas con TÉCNICAS EXPANSIVAS S.L.

Los datos incorporados a nuestros ficheros son absolutamente confidenciales y serán tratados con la máxima confidencialidad y cumpliendo todos los requisitos que obliga el Reglamento General de Protección de Datos (RGPD) de 27 de abril de 2016. Los datos quedarán registrados en nuestros ficheros por el tiempo necesario que dure la motivación para la que fueron recabados. El plazo durante el cual se conservarán los datos personales será aquel que marque la legislación vigente y siempre durante el tiempo que medie en la prestación del servicio para el que fueron comunicados.

Se recomienda no enviar datos personales de nivel alto, según la legislación de protección de datos, como pueden ser los relativos a salud, pues los mismos no viajan cifrados o encriptados. De modo que si VD, los envía será de su exclusiva responsabilidad.

El usuario podrá ejercer en cualquier momento sus derechos para acceder, rectificar, oponerse, cancelarlos, limitar su tratamiento o solicitar su portabilidad con arreglo a lo previsto en el Reglamento General de Protección de Datos (RGPD) de 27 de abril de 2016 enviando una carta a su responsable de tratamiento: Valentín Gómez, Gerente, junto con la fotocopia de su DNI, a TÉCNICAS EXPANSIVAS SL | P.I. La Portalada II | c/ Segador 13, 26006 | Logroño (La Rioja) o a través de la dirección de correo electrónico info@indexfix.com.
Leer más

SERVICIOS DE INGENIERÍA Y REALIZACIÓN DE CÁLCULOS

TÉCNICAS EXPANSIVAS S.L. informa que los datos de carácter personal facilitados de forma voluntaria, cuya finalidad, cesiones previstas y demás circunstancias, se informa en el momento de la recogida de los datos de carácter personal, si bien, según el caso concreto, su finalidad, puede ser alguna de las siguientes, la atención a su solicitud, queja o duda planteada, mantenimiento de la relación establecida, la gestión integral y comercial de clientes, contabilidad y facturación o envío de comunicaciones, incluso por medios electrónicos, de noticias y actividades relacionadas con TÉCNICAS EXPANSIVAS S.L.

Los datos incorporados a nuestros ficheros son absolutamente confidenciales y serán tratados con la máxima confidencialidad y cumpliendo todos los requisitos que obliga el Reglamento General de Protección de Datos (RGPD) de 27 de abril de 2016. Los datos quedarán registrados en nuestros ficheros por el tiempo necesario que dure la motivación para la que fueron recabados. El plazo durante el cual se conservarán los datos personales será aquel que marque la legislación vigente y siempre durante el tiempo que medie en la prestación del servicio para el que fueron comunicados.

Se recomienda no enviar datos personales de nivel alto, según la legislación de protección de datos, como pueden ser los relativos a salud, pues los mismos no viajan cifrados o encriptados. De modo que si VD, los envía será de su exclusiva responsabilidad.

El usuario podrá ejercer en cualquier momento sus derechos para acceder, rectificar, oponerse, cancelarlos, limitar su tratamiento o solicitar su portabilidad con arreglo a lo previsto en el Reglamento General de Protección de Datos (RGPD) de 27 de abril de 2016 enviando una carta a su responsable de tratamiento: Valentín Gómez, Gerente, junto con la fotocopia de su DNI, a TÉCNICAS EXPANSIVAS SL | P.I. La Portalada II | c/ Segador 13, 26006 | Logroño (La Rioja) o a través de la dirección de correo electrónico info@indexfix.com.
Leer más